nVent LENTON ® LENTON® CONNECT IN SITU – Spojka s stranskimi vijaki LENTON®CONNECT je spojka, ki je namenjena za stik…
Zanesljive povezave armature monolitnih konstrukcij
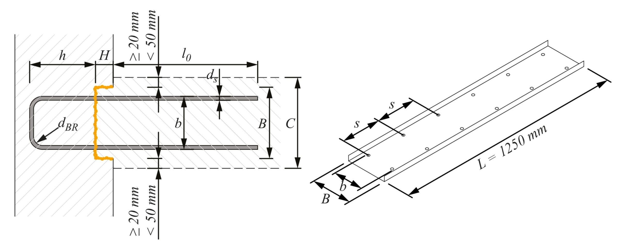
ARBOX® Plus strukturalna ojačitev spojev je rešitev s sistemom ponovno upognjene armaturne palice v škatli za betonske konstrukcije z zelo visoko trdnostjo v vseh smereh. Zagotavlja rešitev, pripravljeno za vgradnjo, ki odpravlja potrebo po predelavi opaža ali prilagajanju opaža. Ta široko odobren izdelek je vsestranski in primeren za vzpostavitev različnih vrst povezav, kjer je potrebna visoka kakovost in odpornost.
ARBOX® Plus, ki ga pokriva ETA, zagotavlja učinkovit prenos visokih strižnih sil na spoj.
Sistem ARBOX® Plus bistveno pospeši hitrost gradnje z zanesljivo kakovostjo za betonske povezave tako v monolitnih, kot v montažnih konstrukcijah, pa tudi za kombinacije betona in CLT lepljenih lesenih materialov. Na voljo je v različnih dimenzijah in se lahko vgrajuje vzdolžno ali prečno, zaradi česar je zelo primeren za ustvarjanje povezav stena – stena, steber – stena ali stena – plošča.
Predhodno upognjene armature ARBOX® Plus so skrite v pocinkani jekleni škatli in jih je mogoče po razopaženju prekriviti v zahtevan položaj za nadaljevanje armature. Ta sistem povečuje varnost na gradbiščih in omogoča hitro gradnjo spojev .
Za izbiro ustreznega modela ARBOX® Plus glede na zahtevano odpornost in dimenzije glejte tabele v tehničnem priročniku za armaturne priključke ARBOX®.
PEIKKO® HELKA® čevlji za stebre so robustni spojni elementi, ki zagotavljajo hitre in varne povezave med montažnimi betonskimi stebri in temelji ali med montažnimi betonskimi stebri. Je široko odobren izdelek za različne vrste montažnih stebrov.
Produkt ARBOX ima certifikat ETA 23/0895, oznako CE in Izjavo o lastnostih
- ARBOX® armaturni priključki se fiksirajo na opaž. Po betoniranju in razopaženju se armatura prekrivi v zahtevano pozicijo za nadaljevanje konstrukcije
- ETA 23/0895 in CE oznaka
- Za stik STENA-STENA, STEBER-STENA, STENA-PLOŠČA
Tehnične informacije
ARBOX PLUS Model A

Tehnični katalog
Related material
Komplementarni produkti
nVent LENTON ® LENTON® Pozicijska spojka P13LN in P14LN LENTON® Pozicijske Spojke P13LN inP14LN so namenjene za spoj dveh krivljenih…
nVent LENTON ® LENTON® Pozicijsko-tranzicijska spojka P13LN in P14LN LENTON® Pozicijsko – tranzicijske spojke P13LN inP14LN so namenjene za spoj…
nVent LENTON ® LENTON® Spojka s paralelnim navojem S13N LENTON® S13N spojke so namenjene za spoj armaturne palice in standardnega…









